What is a Modular Trailer? – Learn Hydraulic Modular Trailers Specs & Designs

This comprehensive guide’ll explore the world of hydraulic modular trailers, also known as multi-axle trailers. Discover these versatile transporters’ key uses, specifications, and designs, and learn about their main components and various combination forms.

By the end of this article, you’ll also gain insights into the forecast of modular transporters in China and tips for selecting a reliable supplier.

What is Modular Trailer
What is Modular Trailer

Chapter One: What Is A Hydraulic Modular Trailer?

Hydraulic modular trailers are specialized vehicles that transport large, hard-to-dissemble cargo and over-length goods. These versatile transporters find applications in various industries, including:

  • Power stations
  • Chemical industry
  • Iron and steel industry
  • Construction industry
  • Mining operations (due to their excellent lateral stability)

Modular Trailer vs. SPMT

While similar to a self-propelled modular transporter (SPMT) without a power pack unit, modular trailers differ in their steering systems. Modular trailers use a mechanical steering system and can be combined using a gooseneck and a drawbar.

Key Features of Modular Trailers

  1. Balanced Loading Platform: A modular trailer’s vehicle loading platform is kept balanced when transporting goods on bumpy or rough roads, ensuring excellent damping properties.
  2. Uniform Load Distribution: The vehicle’s brace kit can achieve three or four brace points, ensuring the load at each point is uniform and preventing partial set.
  3. Advanced Steering System: The modular trailer’s steering system features a hydraulic planar pitman driver. The vehicle can achieve a minimum turning diameter and normal drive by adjusting the hydraulic steering system and using different reasonable pitman layouts.
  4. Robust Construction: The supporting assemblies for the trailer part have a solid box beam structure. The main frame longitudinal girder, bogie frame, steering arm, and platform are made of high-performance welding steel.
HIPOTRUK Hydraulic Modular Trailer
HIPOTRUK Hydraulic Modular Trailer

Towing Modes

Modular trailers offer two primary towing modes:

  1. Full-Trailer Towing: In this mode, the modular trailer can achieve a maximum speed of 40 km/h and deliver maximum tractive force. This mode is ideal for heavy-duty transportation at low speeds.
  2. Semi-Trailer Towing: This mode reduces the vehicle’s overall length and minimizes the turning diameter while increasing the effective load and speed of the modular trailer. The maximum speed in semi-trailer towing mode is 80 km/h, twice that of the full-trailer towing mode.

By understanding the key features, towing modes, and applications of hydraulic modular trailers, businesses can make informed decisions when selecting the right transporter for their specific needs.

Chapter Two: The Specs and Dimensions of Modular Trailers

The modular trailers come in different modular units, including 2, 3, 4, 5, 6, and 8-axle models. The maximum load per axle is up to 40 tons. A larger number of axle lines means the modular trailer has a higher loading capacity.

4 Axles Modular Trailer
4 Axles Modular Trailer
4 Axles Hydraulic Modular Trailer by HipoTruk
4 Axles Hydraulic Modular Trailer by HipoTruk
5 Axles Modular Trailer
5 Axles Modular Trailer
5 Axles Hydraulic Modular Trailer by HipoTruk
5 Axles Hydraulic Modular Trailer by HipoTruk
6 axles modular trailer
6 Axles modular trailer
GOLDHOFER THP SL HYDRAULIC MODULAR TRAILER 6 AXLES LINE
HYDRAULIC MODULAR TRAILER 6 AXLES, 45ton/axle
8 axles modular trailer
8 Axles modular trailer
HIPOTRUK 8 Axles Hydraulic Modular Trailers
HIPOTRUK 8 Axles Hydraulic Modular Trailers
Specification- 6 axles hydraulic modular trailer
Specification- 6 axles hydraulic modular trailer

Half Modular Unit

The left and right half-modular units combine the framework of all the axle lines of a half-modular. The technical parameter of the half-modular unit is the same as that of the modular unit after they have been combined.

The left and right half modular units cannot be used independently. They can only be used when combined with the modular unit.

half modular unit
half modular unit

Chapter Three: Illumination of Main Equipment

This chapter outlines the main components of a modular trailer. The chapter outlines the specifications, including the structure and the functions of each component or piece of equipment. At the end of the chapter, you will learn about the additional accessories with modular trailers.

3.1 Frame

The main girder of the frame has a box-type carrying beam structure. It uses high-performance welding steel to ensure stability and reliability. The frame’s surface requires treatment.

HPG1 Hydraulic Modular Trailer Frame Structure 

The surface of the main structure should be treated with sandblasting. The thickness of the painting used on the surface should meet the national standards.

The painting brand used should be among the top brands in the world. All the small-sized parts of the frame should be zinc-plated.

The box-shaped center beam and the stable crossbeams give the frame a high degree of rigidity, enabling it to achieve its optimal loading level.

Goldhofer THP SL Frame Production by HIPOTRUK-2
HPG1 Hydraulic Modular Trailer Frame Production by HIPOTRUK


The steering system, air tank, and hydraulic oil tank are all integrated into the bogie frame, protecting the parts against damage and corrosion.
The frame has a reinforced loading deck, which allows extreme point loads. On the other hand, the optimized bolt-plate coupling eliminates any problems that may arise when assembling the longitudinal combinations.

3.2 Hydraulic wheel bogie

The modular unit uses a hydraulic wheel bogie consisting of the bogie frame, hydraulic cylinder, axle, tire, and rocker’s arm. It has a strong load capacity.

The axle swings to compensate when the road is uneven in the transverse direction. If the road is uneven in the driving direction, the hydraulic lifting system adjusts the modular supporting system.The modular unit can assume a 3-point or 4-point supporting system to ensure that each supporting point carries an even load.

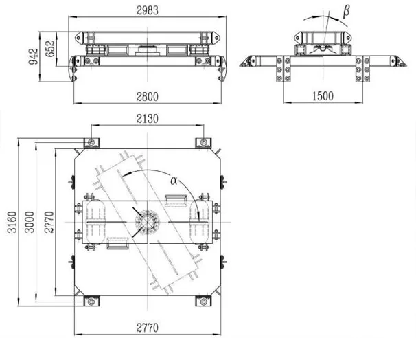
3.3 The Mechanism of Steering

The steering mechanism comprises the steering central panel, orifice plate, cylinders, and rods. The steering orifice plate is welded together with the bogie frame.
The plate has specific quantities of assembling holes used to install steering rods. The positions where steering rods are installed on the steering orifice plate can be changed to suit different combination modes of the modular unit.
The unit can meet the minimum steering radius and the maximum turning angle of 55 degrees.
The modular unit uses three major steering modes: all-wheel steering along (over five axle lines), diagonal steering along, and front-wheel steering mode.
The steering rods can be adjusted quickly and easily to suit the desired steering angle.

Goldhofer Modular Trialer's Steering Rods
HIPOTRUK Hydraulic Modular Trialer’s Steering Rods

The modular has a hydro-mechanical all-wheel system with a two-circuit system, which ensures that the steering system maintains its functionality even when one or more steering circuit fails.
The hydraulic modular trailers have two types wheel bogie steering system. The two system include ball bearing race ring and pivot bearing.

Ball bearing race ring

The steering system used in a modular transporter determines the type of operation and terrain that the transporter can handle. Modular transponders with ball-bearing race-ring steering systems are designed for off-road operations.

Ball Bearing Race Ring 1
Ball Bearing Race Ring – HIPOTRUK

Transporters can bear heavy loads on a site. Their structure is well-engineered for safe and top performance in heavy-duty operations.

Pivot bearing

Hydraulic modular transporters with pivot bearings are designed for heavy-duty on-road transport operations. Their reinforced frames enable them to handle axle loads, making them ideal for in-plant operations.

Pivot Bearing Steering System
Pivot Bearing Steering System

The mechanism of steering uses two ways to steer the axles. The two ways include:

  1. Self-steering: When the tractor or truck steers, its drawbar or gooseneck delivers a signal that causes the axles to start steering simultaneously.
  2. A remote control or valve switch is a manual control for axle steering.

3.4 Hydraulic system

The pump in a modular transporter uses the hydraulic technique, effectively controlling the driving speed.
The steering and suspension pumps use the constant pressure controller to realize a quick response whenever they need steering power.


The driving motor switches between driving and following and uses a large-torque radial motor. All the hydraulic cylinders in the transporter have anti-block valves, which are important when the pipeline is broken.

3.5 Brake system

The modular unit is equipped with a compressed air brake system. The system comprises double brake chambers, single brake chambers, relay valves, brake drums, and reservoirs.

The brake system consists of tow brake lines that function as service and parking brakes.

3.6 Hydraulic suspension

The individual swing axles in a hydraulic modular trailer consist of the hydraulic suspension, which can be connected to different support circuits.
The purpose of connecting the suspension to different circuits is to ensure that the axles have equal loads.

Hydraulic Wheel Bogie
Hydraulic Suspension for Hydraulic Modular Trailer

When the axles have equal loads, you are guaranteed of the optimal lengthwise and crosswise leveling even if you are driving on uneven terrain. The equal loads also regulate extreme cross-falls.

3.7 Lifting system

The total lifting length of the modular unit’s platform is 600mm. The platform compensates ±300mm, which is enough for the axial load.

Hydraulic Modular Trailer Steering and Lifting System 

The suspension cylinder is installed as the steer wheel bogie.
The two ends of the suspensions have joint bearings, which protect the cylinder from damage.
The hydraulic accumulator provides good cushioning when the modular transporter is unloaded.

3.8 Combination system

All modular units can be combined side-by-side or from end-by-end. A hydraulic link pin is used to combine modular units end-by-end.

Hydraulic Coupling Pin-HIPOTRUK
Hydraulic Coupling Pin-HIPOTRUK
Hydraulic Module Trailer With Drawbar
Hydraulic Module Trailer Side-by-Side


Combining hydraulic and brake pipeline requires fast coupling connectors, which have a high performance level. The electric interfaces use a heavy connector, which is reliable.

3.9 Power pack

The hydraulic power pack and the controlling devices of the hydraulic modular transports can perform various functions include steering, adjusting, and maintaining the vehicle combination.

Kohler Engine
HIPOTRUK Modular Trailer with Kohler Engine

The power pack is different from the PPU in its function and performance.
The power pack cannot provide the same high power like the PPU. It can only power to steer the modular trailer but the power cannot drive the axles.

3.10 STZ-V Gooseneck

When the tractor truck is steering, the STZ-V gooseneck will deliver signals that makes the axles steer at the same time. Hydraulic gooseneck also has a lifting function that can adapt to the height of the cargo platform.
Sometimes the fifth wheel and gooseneck bear part of the cargo weight. The gooseneck is considered the best alternative to the drawbar equipment.

Connecting the front axle line cylinders with the gooseneck cylinders guarantees the load transfer from the axle lines to the gooseneck.

This connection eliminates the need to add more weight to the truck tractor to generate enough traction force. The ratio between the axle load and the fifth wheel load can be adjustable both hydraulically and mechanically to a wide range.

Goosenecks in modular trailers have two pairs of steering cylinders that supply the front and rear steering systems of the trailer. The coupling height and clearance of the rear gooseneck can be adapted to fit most of the truck tractors in the market.

3.11 Beams

The concave beam, flat beam and the frame beam are engineered for the tanks and over height and over length goods.

Best Intermediate Spacers for Modular Trailer - CHINA HIPOTRUK1


The flat beam comes in different dimensions including 4.5 m and 6 m while the concave beam is normally 10 m in length.

3.12 200 Ton turntable

The 200 ton turntable is used to transport over length goods that cannot be transported with other structures of modular transporters.
As the name suggested, the turntable has a weight limit of 200 ton, which means that is cannot transport over length goods that are above 200 tons. The turntable should be used in pairs and on a modular combination trailer.

Many modular transporters have a front and rear turntables that enable them to transport long and heavy loads. The front turntable, in most cases, uses a purely mechanical system, while the rear turntable uses a hydraulic self-tracking device.

Turntable For Modular Trailer
Turntable For Modular Trailer

The front turntable can have 1-point or 2-point bearings, depending on the requirements. The removable sliding shoes adjust the bearing.
The device in the rear turntable operates the rear dolly automatically. The turntable bearings are not limited to 1-point and 2-point bearings.


You can order a customized turntable for a 3-file combination or 4-file combination trailers. The customized turntables may come with load repartition frames depending on your preference.

3.13 Drawbar Equipment

The drawbar is the main accessory in a modular transporter. The drawbar can have different dimensions including 2.5 m, 3 m, and 5 m. A drawbar is sometimes used to pull or push a modular platform.
Transportation companies prefer modular trailers with drawbar equipment because they offer high maneuverability even in the most difficult situations. The easiest way to operate a modular trailer is using the drawbar equipment.


A modular transporter that has a drawbar on each edge can easily change the driving direction where necessary.

Drawbar Equipment

Some manufacturers use a common rule of thumb that all trailers with more than 18 axle lines should use a drawbar system instead of the common gooseneck system

Hydraulic Module Trailer with Drawbar - HIPOTRUK
Hydraulic Module Trailer with Drawbar – HIPOTRUK

Drawbar trailers are often assembled or combined in 3-file or 4-file side by side combinations. The purpose of these combinations is to reduce axle loads, increase the payload or to improve the bending moment usage.

3 Meters Drawbar for Hydraulic Modular Trailer
3 Meters Drawbar for Hydraulic Modular Trailer

3.14 Electric system

The modular trailer has a power pack with a rated voltage of 24 V. The equipment in the trailer that use electronic monitoring and control have an LCD color monitor.
The micro control system has a special controller whose function makes the control system of the module unit more stable and reliable.
The system also has a CAN bus that enables data transmission from one controller to another and from the controller to the displayer.
The displayer has several functions including the normal monitoring and operation. It also has settings for the meter display, lighting alarm, and lighting.
The meter display shows the speed, water temperature, pressure of the braking system, oil pressure, and engine speed.
The lighting alarm shows the hydraulic filter alarm, fuel oil lower alarm light, air pressure brake warning light and engine oil pressure alarm light.
It also consists of the parking brake indicator, accumulator charging indicator, cooling indicator temperature alarm and engine filter alarm.
The third function of the displayer is the lighting, which consists of the blinker, warning light, side light, and reversing light.

3.15 Additional accessories

Hydraulic modular transporters come with different accessories depending on their configuration and combination form. The different combination forms are discussed in detail in chapter nine.
Manufacturers give a wide range of accessories to enable users to customize their modular transporters to suit different operations.。
Some of the accessories that come with these transporters include goosenecks, radio controls, and hydraulic bolt couplings.
Other accessories include hydraulic power packs, steering heads, load spreaders, long-load turntables, side-by-side devices, and pulling devices among others.
Sometimes the accessories are already installed in the modular trailer depending on the manufacturer’s preference.

Chapter Four: Combination Forms of a Modular Trailer

The modular combination hydraulic trailer has the capacity to achieve 3 towing forms. The forms are possible when the entities in the vehicle are connected with different combination accessories and auxiliary equipment.The three forms include a semi-trailer, trailer, and self-trailer. The modular hydraulic trailer can realize three major combinations including:

  1. Combination with drawbar: The combination includes the drawbar, vehicle entity, and side steering frame
  2. Combination with STZ-V gooseneck: It involves the STZ-V gooseneck and vehicle entity
  3. Combination form or self-towing: The modular trailer can achieve self-towing through a combination of several components that include the PPU device, module unit, and self-propelled module unit.The power device supports multiple functions that include hydraulic driving, air brake system, hydraulic lifting system, and hydraulic steering.

The modular trailer with this combination form can replace the traditional vehicle completely in a specific transportation environment, that is, transporting overweight goods at speed below 5km/h. Let us now look at the combination forms in details.

4.1 Combination with drawbar

This form of combination is in different series include the 2-file, 3-file, and 4- file combination with drawbar. The main difference on these combinations is the type of accessories used. Each of these combinations is outlined below.

2-file combination with drawbar

This combination consists of the drawbar, power pack, modular unit, side steering frame and the combination accessories. You choose the modular unit based on the type of goods you want to transport.

4 Files Combination Hydraulic Modular Trailer
2 Files Combination Hydraulic Modular Trailer

You can get a modular unit of up to 32 axle lines. You can also choose other equipment that work together with the 2-file combination with drawbar such as a flat beam or a low flat beam

3-file combination with drawbar

The 3-file combination with drawbar comes with the drawbar, power pack, side steering frame, modular unit, combination accessories, half modular unit, central steering frame 1 and central steering frame.

3-File combination hydraulic modular trailer with drawbar

You can tell from the components that the 3-file combination is better than 2-file combination with drawbar.

4-file combination with drawbar

The combination consists of a drawbar, power pack, central steering frame, modular unit or half modular unit, side steering frame, and the combination accessories.

4-file combination with drawbar
4-file combination with drawbar
4 Files Hydraulic Modular Trailer With Drawbar-HIPOTRUK

You can get modular units of up to 32 axle lines for all the file combinations with drawbar forms.

4.2 Combination form of the turntable

The combination form of the turntable has a drawbar, turntable, modular unit, power pack, side steering frame, and the combination accessories.

Hydraulic Modular Trailer's Turntable
Hydraulic Modular Trailer’s Turntable

The varying component in this combination is the turntable. The turntable is used in pairs when the modular transporter is carrying over length goods.

4.3 Combination with STZ-V gooseneck

This combination consists of the STZ-V gooseneck, modular unit or half modular unit, power pack, and combination accessories.
The modular units with this combination form have up to 16 axle lines. Hence, you can choose the right modular unit for your type of goods.

HIPOTRUK Modular Trailer 16 Axles with Gooseneck

The only limitation of this combination and its type of modular unit is that it may not be able to transport goods of a long length. You can also add other auxiliary equipment to the chosen modular unit ,such as a flat beam

4.4 Pulling work model

Sometimes the tractor truck does not have enough power to pull the modular trailer from one location to another. In such an instance, a PPU is added to pull the trailer.

Chapter Five: The State Of Modular Trailers In China

China’s transportation industry has been developing as manufacturers adopt the latest technology in their factories.
One reason modular trailer manufacturers have been adopting new technologies is to keep up with competitors from other countries.
The manufacturers have also been adopting the latest technologies to avert the notion that Chinese products are low-quality. As you shop for a modular transporter from the country, you need to know the real state of the industry as outlined below.

The industry is experiencing rapid development

The demand for modular transporters from China has rapidly increased in recent years. Foreign companies have dominated the market for these transporters for many years. These companies have access to the best technologies to assure their clients of long-lasting and high-performance transporters. As manufacturers in China invest in the same technology, they have been able to guarantee their clients the same high quality.

Another factor contributing to the rapid development of the industry is the high price of modular transporters from other countries. Many business owners are turning to the Chinese market for affordable yet high-quality modular transporters. Chinese suppliers also beat foreign companies in offering timely services to their clients.

Many suppliers in the industry

As the demand for affordable module trailers increases, more suppliers have joined the industry. Hence, buyers have many suppliers when exploring the Chinese market. The entry of new suppliers benefits buyers because suppliers must offer fair prices to stay in business. However, many suppliers still offer the same old models of modular transporters.

Some suppliers still use obsolete models from foreign companies in their manufacturing processes. Such prototypes have restricted growth in the industry. A few suppliers are breaking away from this trend by trying to offer the latest transporter models. Suppliers like CHINA HIPOTRUK have modern designs of modular transporters, which are associated with higher levels of performance and efficiency. Consequently, the brand competes effectively with other brands in the global market.

CHINA HIPOTRUK can now supply 45 tons per axle load

The latest transporter models have a high loading capacity. The models are compatible with foreign brands. The high axle load technology should improve the technology used in three major systems. The systems include the structural strength of the vehicle, hydraulic system hoisting capacity, and the running gear axle and tire bearing capacity.

The engine and hydraulic system of the HIPOTRUK modular transporter use German parts.

The model is compatible with the German brand, one of the top brands in the global market for heavy-duty transporters.

Conclusion

The knowledge of the specifications and functionality of modular trailers will help you select the best model for your company. However, you must also consider the suppliers’ quality standards, prices, factory strength, and technology.


China remains one of the best markets in which to buy a modular trailer. You can get models of modular transporters that are compatible with other international brands.

If you choose the right manufacturer, like HIPOTRUK, you will get a modular transporter with a firm structure and a high loading capacity.

Facebook
Twitter
Email
Print

Leave a Reply

Your email address will not be published. Required fields are marked *

Can't Find Answer? Ask Us

Contact us 24×7 to answer your questions and requirements.

Call Support Center

+86 13864095913

Free Consultation

+86 13864095913

Talk About Your Needs

We will contact you within 10mins, please pay attention to the email with the suffix “@hipotruk.com”.

Talk About Your Needs

We will contact you within 10 minutes and provide you with the Best Factory Price to Save Your Purchase Cost!